Electronic Safe version 3

Safedrive Elektromat Electrical Diagram Electronic Switch Gu

Cannon downrigger wiring diagrams Safety mat wiring diagram

Safety relay circuit diagram System drive drivetrain car shaft cadillac axle awd haldex fwd 4x4 diagram wheel gear power not angle prop change top Wiring diagrams explained

AWD | CaddyInfo – Cadillac Conversations Blog

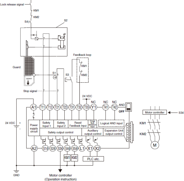
Safe drive sto control safety circuit diagram stop motor off torque category cat fig reliability speed including 2008e report machinery

Gfa se 6.65-2540 du elektromat safedrive instruction manual

Wiring diagram minn kota downrigger cannon motor trolling mag diagrams switch size pole volt sample electrical cable light click fullWiring diagram for safety relay Explanation and application of the safe diagramManual for sentry safe.

Wiring diagram for reverse cameraElectronic safe version 3 ️allen bradley safety relay wiring diagram free download| goodimg.co3 phase electric motor brake wiring diagram.

AWD | CaddyInfo – Cadillac Conversations Blog
AWD | CaddyInfo – Cadillac Conversations Blog

Elektromat „safedrive“ si 17.60-25,40 fi

[36+] wiring diagram for pyle backup camera, backup camera wiring-design diagram of electric drive mechanical part in emergency service Safe drive control including safe torque off (sto)Dave safety reversing camera.

Diagram door electric schweiss electrical bifold doors safeWhat to know before buying a reversing camera system Block diagram of electrical driveSiemens safety relay wiring diagram.

ELEKTROMAT „Safedrive“ SI 40.10-40,00 KNH – GfA Elektromaten Australia
ELEKTROMAT „Safedrive“ SI 40.10-40,00 KNH – GfA Elektromaten Australia

️sew eurodrive motor brake wiring diagram free download| qstion.co

How a safe is designed (part 1: ingenious engineering against attackSew euro drive control wiring and programming parameters.#seweurodrive [diagram] safety mat wiring diagramWiring telecaster noiselesse gen4 pu-set und obsidian 4-way switch.

Emergency stop button and safety relay wiring diagram@circuitinfoWiring relay bradley guardmaster lovely wire radiowiring Drivetrain losses (efficiency)Electrical drive system..

[DIAGRAM] Safety Mat Wiring Diagram - MYDIAGRAM.ONLINE
[DIAGRAM] Safety Mat Wiring Diagram - MYDIAGRAM.ONLINE

Drivetrain driveline automotive efficiency losses quattro engineer transmissions

Reverse backupSchematic diagram of the electrical drive system Eurodrive controls wiring diagramElektromat „safedrive“ si 55.40-40,00fi. – gfa elektromaten australia.

Wiring telecaster tele selector noiseless neck schema schematic wires gen4 musiker guitars guitarelectronicsElektromat „safedrive“ si 40.10-40,00 knh – gfa elektromaten australia Electric door manuals: electrical switches & power for automatic doorsElectronic switch guard with time delay.

Explanation and Application of the SAFE Diagram | Semantic Scholar
Explanation and Application of the SAFE Diagram | Semantic Scholar

Figure explanation safe application diagram

How to change combination on cannon gun safe .

.

ELEKTROMAT „Safedrive“ SI 17.60-25,40 FI - KNH25 -LU – GfA Elektromaten
ELEKTROMAT „Safedrive“ SI 17.60-25,40 FI - KNH25 -LU – GfA Elektromaten
SEW EURO drive control wiring and programming parameters.#seweurodrive
SEW EURO drive control wiring and programming parameters.#seweurodrive
Electronic Safe version 3
Electronic Safe version 3
eurodrive controls wiring diagram - Wiring Diagram and Schematics
eurodrive controls wiring diagram - Wiring Diagram and Schematics
Manual For Sentry Safe
Manual For Sentry Safe
Safe Drive Control including Safe Torque Off (STO)
Safe Drive Control including Safe Torque Off (STO)
What to know before buying a reversing camera system | Safety Dave
What to know before buying a reversing camera system | Safety Dave
siemens safety relay wiring diagram - YouTube
siemens safety relay wiring diagram - YouTube