2006 Mustang Fog Light Wiring Diagram

Roadvision Wiring Diagram Driving Light Wiring Loom

Finishing a wiring diagram for my build Roadvision driving light wiring kit plug and play 12v/24v

Rv electrical system justin Roadvision driving light wiring kit D-tools si 5

Six Pole Switch Toggle Switch Wiring Diagram

Roadvision airwire remote control wiring loom kit

Loom wont

[diagram] led light bar wiring loom diagramView graphic Spot lightsRv-10 electrical system.

Roadster system wiring diagram [wdiag-18]Roadvision 8x5 Harness combo slimline nx200Visio 2010 connectors and connection points tutorial.

ROADVISION DRIVING LIGHT WIRING KIT
ROADVISION DRIVING LIGHT WIRING KIT

Pin en trailer plugs

Driving light wiring loomSpotlights relay wiring wire spot lights diagram high light discovery using hella rover land beam beams relays headlight electrical car Roadvision led plug play wiring kit suit 8x5 trailerWiring relay lights diagrams hubs.

Wiring diagram roadster finishing build pg flickrSix pole switch toggle switch wiring diagram Visio wiring connectors connection circuit points 2010 tutorial diagram diagrams carRoadster system wiring diagram [wdiag-18].

Roadvision RWL Series Combo Work Light - Pro-Spec Auto
Roadvision RWL Series Combo Work Light - Pro-Spec Auto

Finishing a wiring diagram for my build

Roadvision rwl series combo work lightRoadvision driving light wiring kit – direct suspensions Backup f250 reverse44 best of off road light wiring diagram.

Wiring diagram roadster system wire rod street harness kit universal largerWiring diagram finishing build pg roadster flickr Finishing a wiring diagram for my buildWiring diagram finishing build roadster pg flickr.

ROADVISION Driving Light Wiring Kit Plug and Play 12V/24V
ROADVISION Driving Light Wiring Kit Plug and Play 12V/24V

Toyota prado spotlight wiring diagram

Wiring diagramsVisio diagram schematic tools Driving light wiring5 pin relay wiring diagram driving lights.

2018 f250 backup camera wiring diagramTrailer wiring diagram tablero seleccionar 2021 Roadvision driving light set stealth series (pair)Nx7sl – 7″ slimline led driving light – combo beam (twin pack) – noxsolis.

Roadvision DLE Series 9 Inch Round 32 LED Spotlights (Pair) - Pro-Spec Auto
Roadvision DLE Series 9 Inch Round 32 LED Spotlights (Pair) - Pro-Spec Auto

Wiring diagrams

Redvision in trucksRoadvision dle series 9 inch round 32 led spotlights (pair) Cut out and now wont startWiring roadster harness controls.

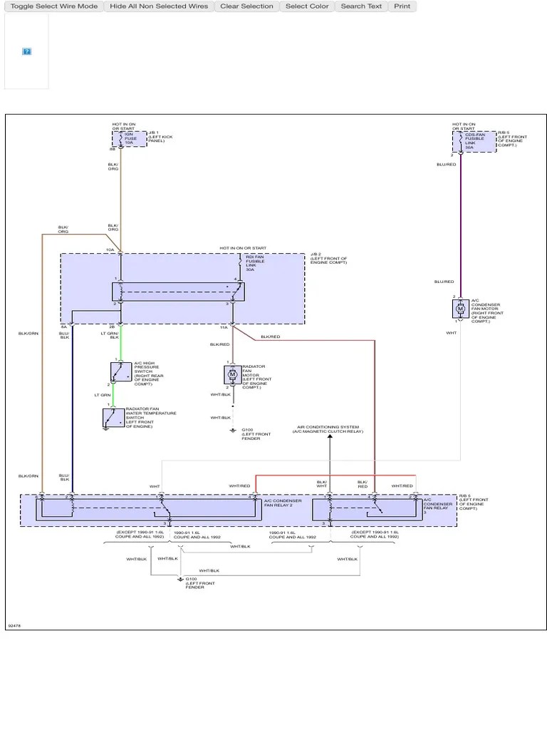
2006 mustang fog light wiring diagram .

Driving light wiring
Driving light wiring
2006 Mustang Fog Light Wiring Diagram
2006 Mustang Fog Light Wiring Diagram
Toyota Prado Spotlight Wiring Diagram
Toyota Prado Spotlight Wiring Diagram
View Graphic | PDF | Motor Vehicle | Vehicle Technology
View Graphic | PDF | Motor Vehicle | Vehicle Technology
ROADVISION LED PLUG PLAY WIRING KIT SUIT 8x5 TRAILER - Roadvision
ROADVISION LED PLUG PLAY WIRING KIT SUIT 8x5 TRAILER - Roadvision
ROADSTER SYSTEM WIRING DIAGRAM [WDIAG-18] - $24.50 : Coach Controls
ROADSTER SYSTEM WIRING DIAGRAM [WDIAG-18] - $24.50 : Coach Controls
Six Pole Switch Toggle Switch Wiring Diagram
Six Pole Switch Toggle Switch Wiring Diagram
ROADSTER SYSTEM WIRING DIAGRAM [WDIAG-18] - $24.50 : Coach Controls
ROADSTER SYSTEM WIRING DIAGRAM [WDIAG-18] - $24.50 : Coach Controls